ags

 
 

Запасные части и кодировка

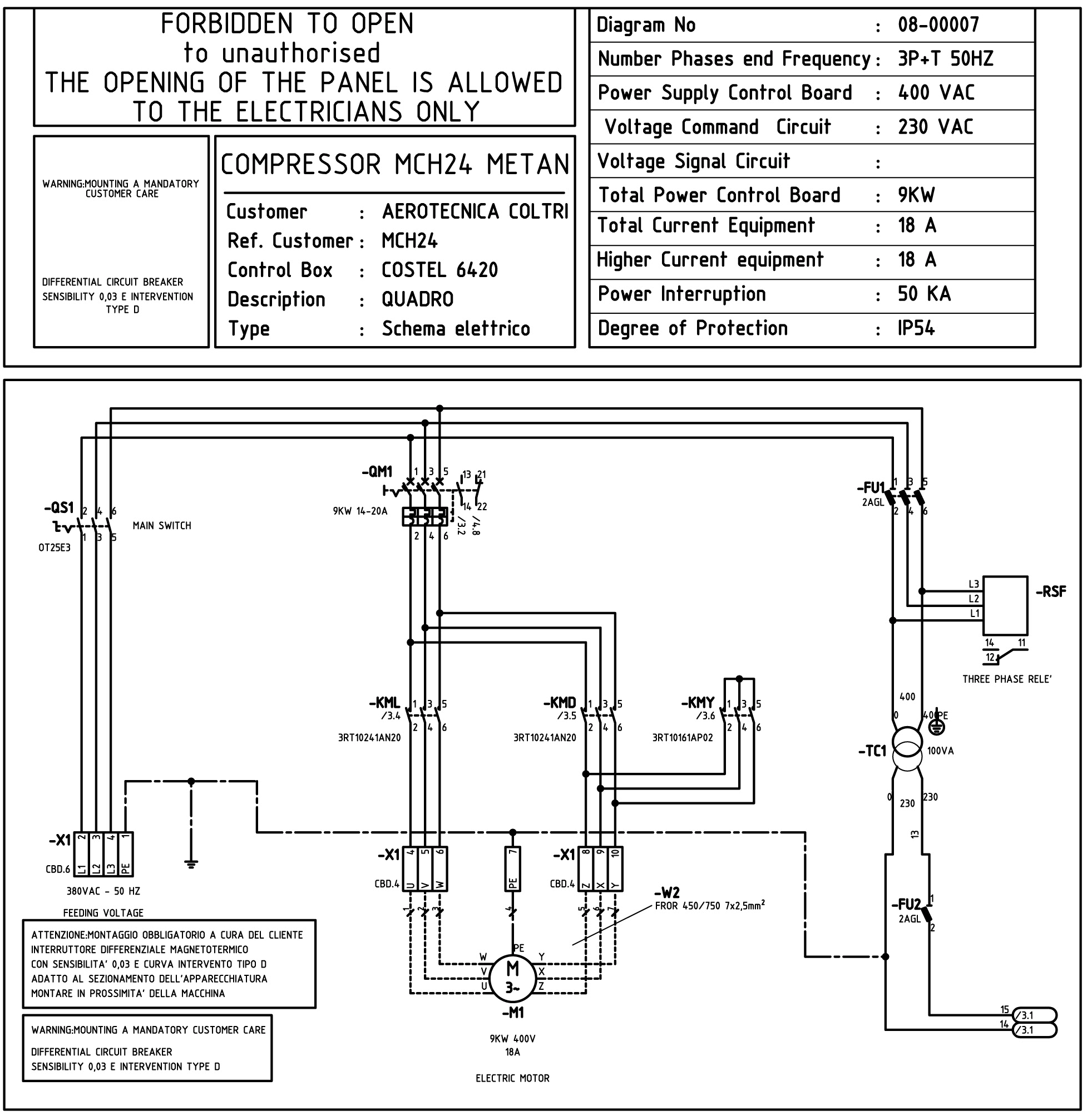
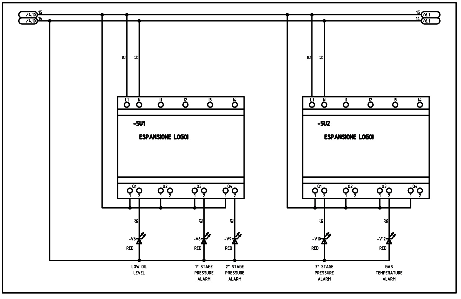
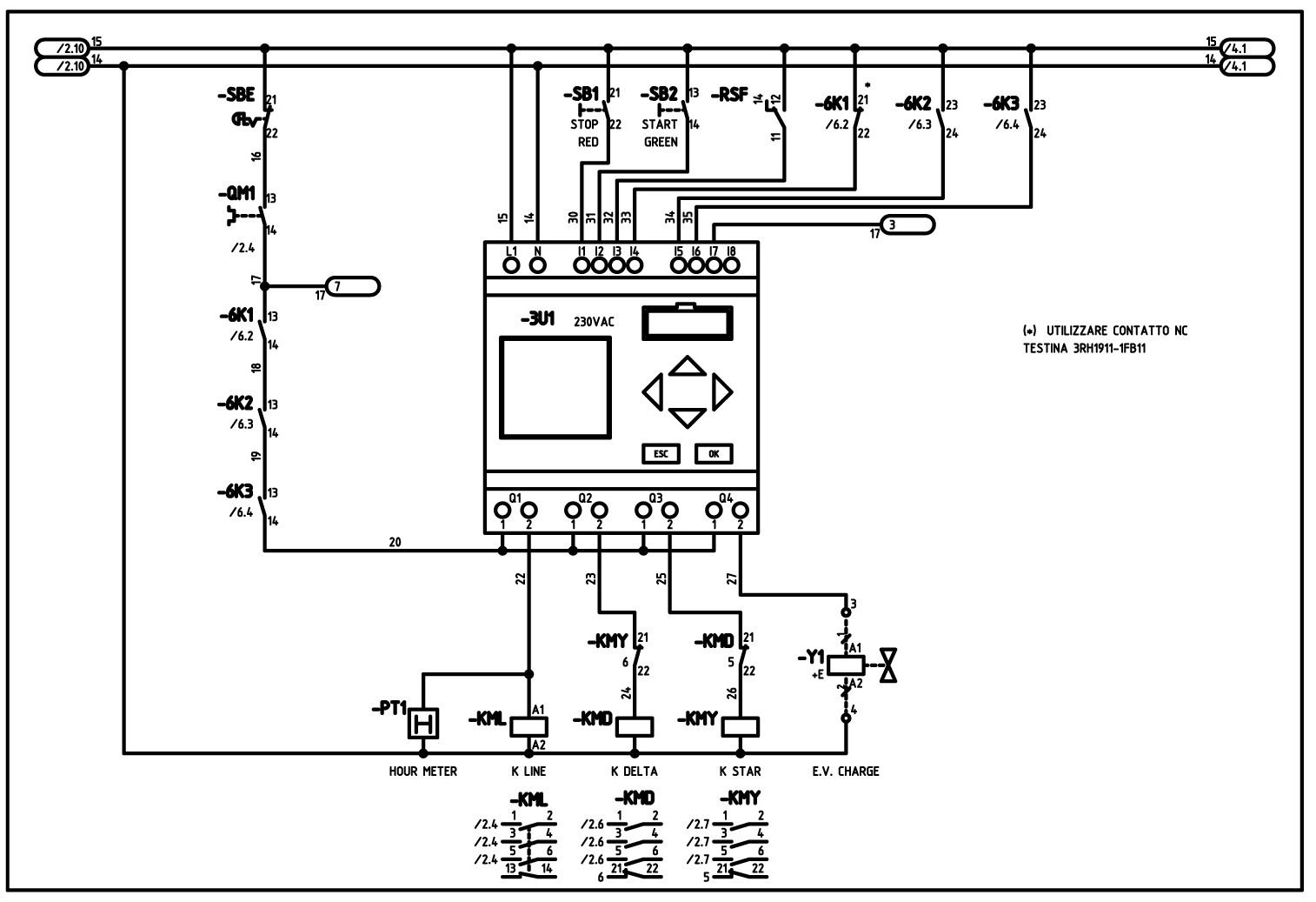
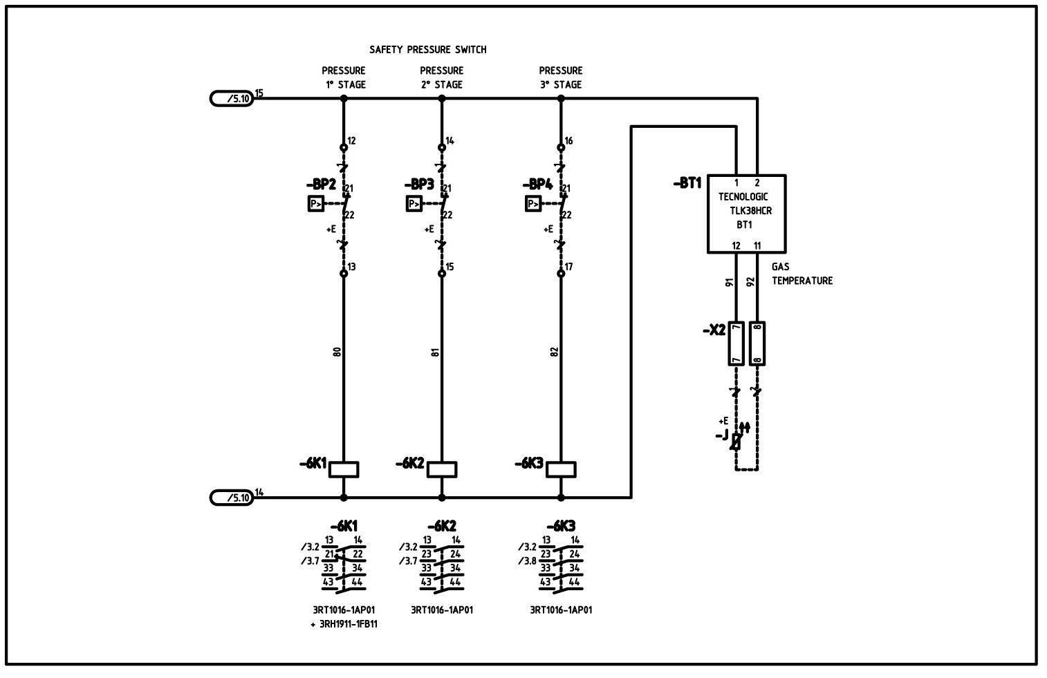
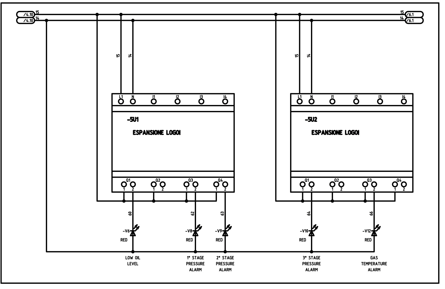
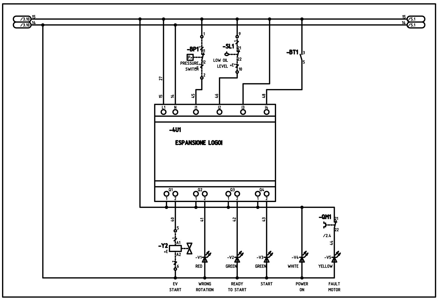
ЭЛЕКТРОЦЕПЬ компрессоров МСН-20 - МСН-24

Схемы подключения электроприборов

электроцепь компрессора

электроцепь компрессора

электроцепь компрессора

электроцепь компрессора

электроцепь компрессора

электроцепь компрессора

 

 

Электродвигатель

электроцепь компрессора

электроцепь компрессора

прайс

.. ..


О компании

ПРАЙС-ЛИСТ (новые цены)

Видео

ФОТО

НАПИШИТЕ НАМ

Региональные представители

СОТРУДНИЧЕСТВО

Официальный представитель

При поддержке NIC.UA 

 

Copyright © 2014 ООО Стожары Все права защищены.